Descrição Geral
A bomba possui três modos de controlo:
-
modo de aquecimento de radiador,
-
modo de piso radiante,
-
curva constante/velocidade constante.
Além disso, a velocidade pode ser controlada por um sinal PWM de baixa tensão (Pulse Width Modulation).
A bomba tem um veio de cerâmica e rolamentos radiais, rolamento axial de carbono, rotor de aço inoxidável, placa de rolamentos e rotor revestido, impulsor composto, tudo contribuindo para uma longa vida útil. A bomba é auto-ventilada, o que contribui para um fácil comissionamento, bem como para a facilidade de seleção do modo de controlo.
O design compacto, apresentando uma cabeça de bomba com caixa de controlo e painel de controlo integrados, adapta-se às instalações mais comuns, bem como a caldeiras.
A bomba e o motor formam uma unidade integral sem empanque. A bomba é de tipo de funcionamento em molhado, o que significa que os rolamentos são lubrificados pelo líquido bombeado. Este tipo de configuração garante uma operação livre de manutenção.
O corpo da bomba é feito de ferro fundido e revestido por eletrodeposição para melhorar a resistência à corrosão.
O motor é um motor síncrono de magneto permanente/estator compacto. O controlador da bomba está incorporado no painel de controlo, que é montado no alojamento do estator e conectado ao estator através de uma ficha terminal.
Características da ALPHA1 L
-
Três curvas constantes/velocidade constante
-
Modo de aquecimento de radiador
-
Modo de piso radiante
-
Perfil PWM para aplicações de aquecimento (perfil A). O sinal PWM é um método para gerar um sinal analógico usando uma fonte digital
-
Energeticamente otimizado, em conformidade com a diretiva ErP
-
Parafuso de desbloqueio, acessível pela frente do painel de controlo
-
Funciona de forma fiável e eficiente até mesmo nas condições mais exigentes
-
Ficha de instalação ajustável e flexível, com duas posições de prensa-cabo possíveis
Líquido
-
Líquido bombeado: Água
-
Gama de temperatura do líquido: 2 .. 95 °C
-
Temperatura do líquido durante operação: 60 °C
-
Densidade: 983.2 kg/m³
Dados Técnicos
-
Caudal nominal: 1.8 m³/h
-
Cabeça cotada: 2.01 m
-
Orientação da cabeça da bomba: 6H
-
Classe TF: 95
-
Aprovações: VDE, CE, EAC, SEPRO
Materiais
-
Corpo da bomba: Ferro fundido
-
Caixa da bomba: EN 1561 EN-GJL-150
-
Corpo da bomba: ASTM A48-150B
-
Impulsor: Composite
-
Material do impulsor: PES + 30% GF
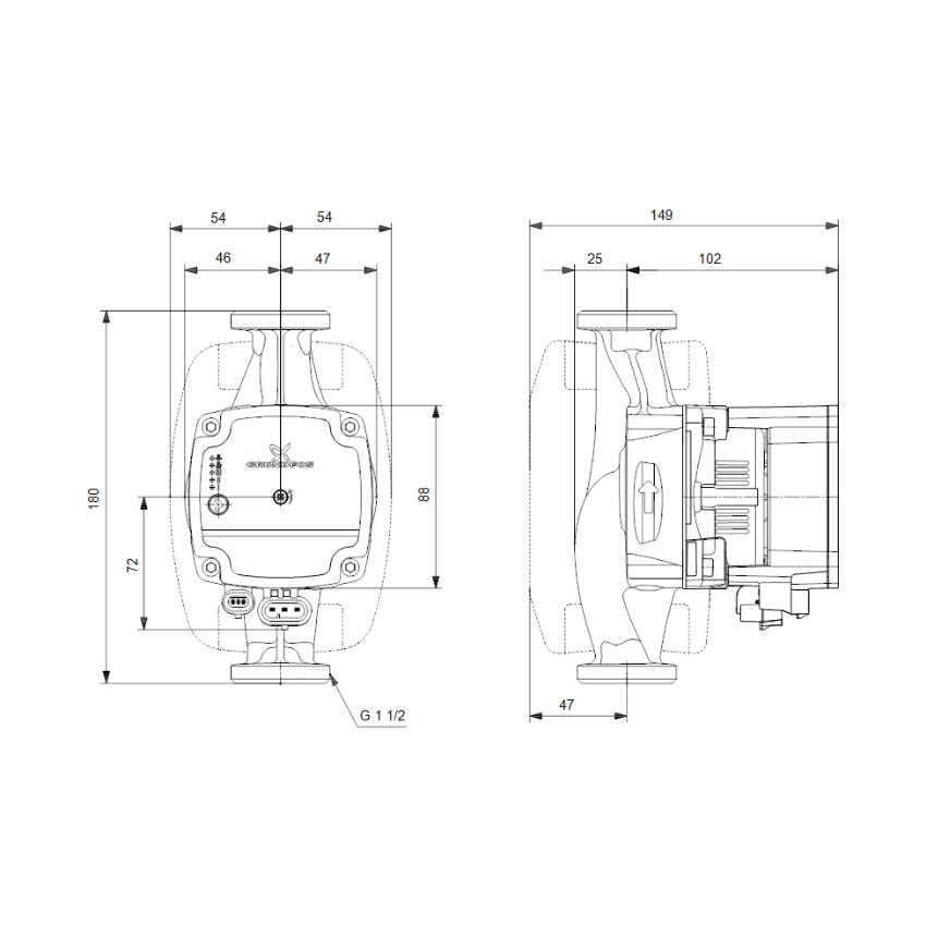
Instalação
-
Gama de temperatura ambiente: 0 .. 55 °C
-
Pressão máx. de funcionamento: 10 bar
-
Tipo de conexão: G
-
Dimensão da conexão: 1 1/2 inch
-
Nível de pressão para conexão: PN 10
-
Extensão porta a porta: 180 mm
Características Eléctricas
-
Potência mínima absorvida – P1: 4 W
-
Entrada de potência P1: 25 W
-
Frequência da rede: 50 / 60 Hz
-
Voltagem nominal: 1 x 230 V
-
Consumo máximo de energia: 0.05 .. 0.26 A
-
Classe de protecção (IEC 34-5): X4D
-
Classe de isolamento (IEC 85): F
Outros
-
Energia (EEI): 0.20
-
Peso líquido: 2.06 kg
-
Peso bruto: 2.2 kg
-
Volume de expedição: 0.004 m³
-
País de origem: DK
-
Nº taxa aduaneira: 84137030











